ich hab ja heute meine Platinen bekommen...
nach einem zweiten Anlauf beim flashen, läuft jetzt alles soweit bis auf die NEUE Outputplatine 2f IO Basic V.10
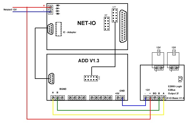
sie wird im Bus erkannt (gelbe LED blinkt bei Übertragung und ist Adress mässig eingebunden.
Beide Output LED´s brennen ständig mit ca. halber Stärke.
Steuere ich den ersten Kanal an so wird dort die LED nochmal etwas dunkler, die andere reagiert garnicht.
An den Ausgangsklemmen für die Relais. liegen am ersten 3.2V und am zweiten 2,8V dauerhaft an,
die Spannungen ändern sich nur minimal im Komma Bereich wenn die Kanäle angesteuert werden,
dabei blinkt jedesmal die Gelbe LED mit.
Schliese ich ein 12V Relais an, gehen die beiden LED´s aus, doch die Relais ziehen nicht an.
Hat evtl. der Tiny etwas ? oder nicht richtig programmiert ? muss ich da evtl. noch etwas machen bei der neuen Platine ?
Oder hab ich nur ein kleines Verständnisproblem :-)
Fehler an der neuen 2f IO Basic V.10 ?
30.06.2012 - 15:53:16 Uhr
Themenstarter
