Hallo!
Das Adapter Board von Pollin kann man nicht mehr bestellen. Platine für den Programmer und Bauteile sind bestellt. Welches Adapterboard kann man jetzt für den E2000 Programmer verwenden?
Gruß Alex
| Seiten (2): [1] 2 » |
| Autor | Beitrag |
27.11.2019 - 13:52:07 Uhr |
|
AlexM
ThemenstarterRegistriert seit: November 2019
Beiträge: 36 |
|
|
Adapter Board
Hallo!
Das Adapter Board von Pollin kann man nicht mehr bestellen. Platine für den Programmer und Bauteile sind bestellt. Welches Adapterboard kann man jetzt für den E2000 Programmer verwenden? Gruß Alex |
|
|
|
|
|
|
28.11.2019 - 10:08:12 Uhr |
|
|
Manni-Pi
(Entwickler)
Manni Registriert seit: Juni 2014
Beiträge: 647 |
|
|
Hallo Alex,
die Antwort hab ich dir doch schon geschrieben. Siehe hier: http://www.elektronik2000.de/forum/thread.php[...]ight=adapter&p=2 Gruß Manfred ![]() |
|
|
|
|
|
|
28.11.2019 - 12:52:01 Uhr |
|
|
fasabi
(Betatester)
Registriert seit: Dezember 2012
Beiträge: 574 |
|
|
Ganz so einfach ist das, so glaube ich, nicht. Da ist wohl kein Quarz drauf und man muss den Takt über pin 3 zuführen. Der ist beim E2000 Programm er nicht belegt.
Ich habe mir heute früh so ein Teil Bestellt und es ist schon unterwegs. Mir schwebt einen kleine zwischen Platine vor die den Takt über pin 3 zuführt. Werde berichten ob es so geht wie ich es vermute. Dann währe das eine super Kompakte Lösung für neu Einsteiger die noch nicht mit dem Pollin Board ausgerüstet sind. Gruß Falko _________________________ 2xRaspberry Pi3 mit 23 und 6 Modulen,1xRaspberry Pi2 mit 6 Modulen 1xRaspberry Pi3 zum Testen mit 3 Modulen 1xRaspberry Pi3 mit 2 Multi IO als Akkutester |
|
|
|
|
|
|
28.11.2019 - 15:16:14 Uhr |
|
|
Manni-Pi
(Entwickler)
Manni Registriert seit: Juni 2014
Beiträge: 647 |
|
|
Hallo,
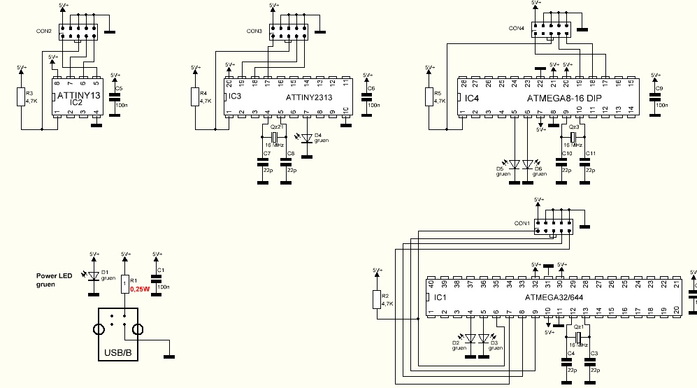
danke Falko für die Info. Hatte nur nach einer Adaptermöglichkeit geschaut. Hab nochmal ein Bild angehängt von den E2000 Plänen zur Veranschaulichung wegen dem Quarz für den Takt der verschiedenen Prozessoren. Wenn man etwas mit dem Lötkolben bewandert ist kann man das auf eine Lochrasterplatine zaubern. Da reicht ein 10Pol Wannenstecker und ein Quarz mit den Kondensatoren. Dann alle verschiedenen Sockel einfach parallel verdrahten und nur immer den entsprechenden benutzen. Ist ja nichts anderes als das Pollinboard. Gruß Manfred
|
|
|
|
|
|
|
28.11.2019 - 15:35:11 Uhr |
|
|
benni
(Betatester)
Registriert seit: Februar 2012
Beiträge: 72 |
|
|
Adapter Board
Ich möchte mich der Meinung von Manni anschließen, so ein Lochraster-Adapter
ist bei mir auch im Einsatz, mit einem Diamex Programmer (alle anderen gehen auch) und Atmel Studio ich habe ihn Bedarfsabhängig um jeweils die IC- Fassung erweitert die ich brauchte (Anschaltung beachten). Die Quarzanschlüsse habe ich auf 2pol. Fassungen geführt, wo ich den passenden Quarz einstecke. Geht auch ohne Kondensatoren. Ich habe mir noch einen NE 555 als Rechteckgenerator (1 khz) und einen Quarzosszilator dazu gedröselt, dann kann man evt. verfummelte AVR´s wiederbeleben. Wenn keine möglichkeit zum Löten besteht sollte auch ein Steckbrett gehen, die Avr´s sind ja dokumentiert |
|
|
|
|
|
|
28.11.2019 - 21:03:40 Uhr |
|
AlexM
ThemenstarterRegistriert seit: November 2019
Beiträge: 36 |
|
|
Danke für die Info
|
|
|
|
|
|
|
30.11.2019 - 11:32:59 Uhr |
|
|
fasabi
(Betatester)
Registriert seit: Dezember 2012
Beiträge: 574 |
|
|
Das Adapter Board war gestern Abend im Briefkasten. Kunststück der Firmensitz ist ja auch nur 4km entfernt. Mit dem Externen Takt ist natürlich Quatsch da je die Fuse für den Quarz gesetzt werden.
Ich habe also nur den Quarz mit in die Fassung gesteckt und eine Adapterplatine für die 5V gebaut. Die 5V könnte man natürlich auch am Programmer einspeisen dann entfällt der zwischen Adapter. Getestet mit Attyni 13/2313 und ATMEGA 8/644 Da der Attyni 13 kein Quarz braucht und der 2313 ja nur noch im Programmer Steckt könnte man sich ja die 2 Positionen für den ATMEGA 8 und 644 auf dem Sockel markieren. 20€ sind für mich auch OK. Das habe ich schon für meine 2 Sockel 40Pol/28Pol bezahlt. Schönes WE Falko _________________________ 2xRaspberry Pi3 mit 23 und 6 Modulen,1xRaspberry Pi2 mit 6 Modulen 1xRaspberry Pi3 zum Testen mit 3 Modulen 1xRaspberry Pi3 mit 2 Multi IO als Akkutester |
|
|
|
|
|
|
30.11.2019 - 11:44:22 Uhr |
|
|
fasabi
(Betatester)
Registriert seit: Dezember 2012
Beiträge: 574 |
|
|
|
|
|
|
30.11.2019 - 18:19:11 Uhr |
|
AlexM
ThemenstarterRegistriert seit: November 2019
Beiträge: 36 |
|
|
Hallo!
Dies klingt ja sehr gut. Wie schaut die Lochrasterplatine von oben aus. Was hast da verbaut? Gruß Alex |
|
|
|
|
|
|
30.11.2019 - 20:36:27 Uhr |
|
|
fasabi
(Betatester)
Registriert seit: Dezember 2012
Beiträge: 574 |
|
|
|
|
|
|
| Seiten (2): [1] 2 » |
| Suche |
| » Erweiterte Suche |
| Optionen |
Druckansicht
Thema weiterempfehlen
|