Hallo, ich beabsichtige mit dem E2000 eine Steuerung für einen Kachelofen mit Wärmetauscher und Pufferspeicher zu bauen.
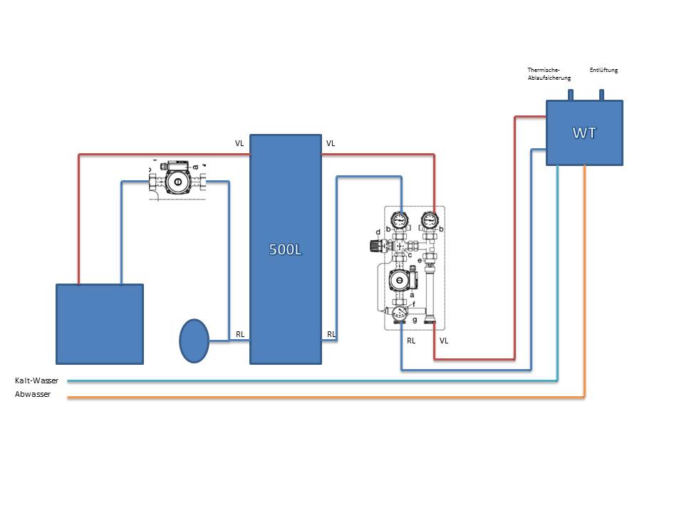
Das System ist wie auf den Bildern in der Anlage aufgebaut.
Es gibt einen Kesselfühler am Wärmetauscher, einen Vorlauffühler- und einen Rücklauffühler am Pufferspeicher sowie eine Pumpe an der Rücklaufanhenung und eine im Heizungskreis.
Der mechanische Mischer an der Rücklaufanhebung wir über das eingebaute Thermostat gesteuert und wird auf 60° eingestellt.
Die Pumpe in der Rücklaufanhebung soll:
Wenn VL-Temp kleiner als WT-Temp und WT-Temp > 70° dann Pumpe „Ein“
Wenn WT-Temp > 95° dann Pumpe „Aus“
Eine Temperaturdifferenzmessung soll die Pumpe wie in Bild 4 beschrieben steuern
Die Pumpe im Heizungskeis soll:
Wenn VL-Temp >70° dann Pumpe "Ein"
Zur erhaltung der Pumpen sollen alle Pumpe alle 24h für 5 sec eingeschaltet werden.
Gibt es hierfür schon ein Projekt oder kann mir einer Tipps geben?
Desweiteren kann ich die Datei in der Anlage von http://www.elektronik2000.de/forum/thread.php?id=490  nicht öffnen.
Fehlermeldung:  Die Datei entspricht nicht dem E2000 Format.
Ich habe Logik 2.2.1b
Gruß
Ralf				
		 Steuerung von Kachelofen mit Wärmetauscher und Pufferspeicher
 Steuerung von Kachelofen mit Wärmetauscher und Pufferspeicher		 19.05.2013 - 08:54:45  Uhr
19.05.2013 - 08:54:45  Uhr		 Themenstarter
 Themenstarter 
  		
 
			