Hallo ...,
wo kann ich den Schaltplan NET-IO ADD V1.3 in leserlicher Form herunterladen?
Im Voraus vielen Dank.
Grüße Jürgen Rieger
Schaltplan NET-IO ADD V1.3 in leserlicher Form herunterladen | Seiten (1): [1] |
| Autor | Beitrag |
04.04.2013 - 21:28:14 Uhr |
|
RiegerJuergen
ThemenstarterRegistriert seit: November 2012
Beiträge: 38 |
|
|
Schaltplan NET-IO ADD V1.3 in leserlicher Form herunterladen
Hallo ...,
wo kann ich den Schaltplan NET-IO ADD V1.3 in leserlicher Form herunterladen? Im Voraus vielen Dank. Grüße Jürgen Rieger |
|
|
|
|
|
|
04.04.2013 - 21:51:54 Uhr |
|
|
Samurai1967
Samurai1967 Registriert seit: Dezember 2012
Beiträge: 227 |
|
|
Hallo Jürgen,
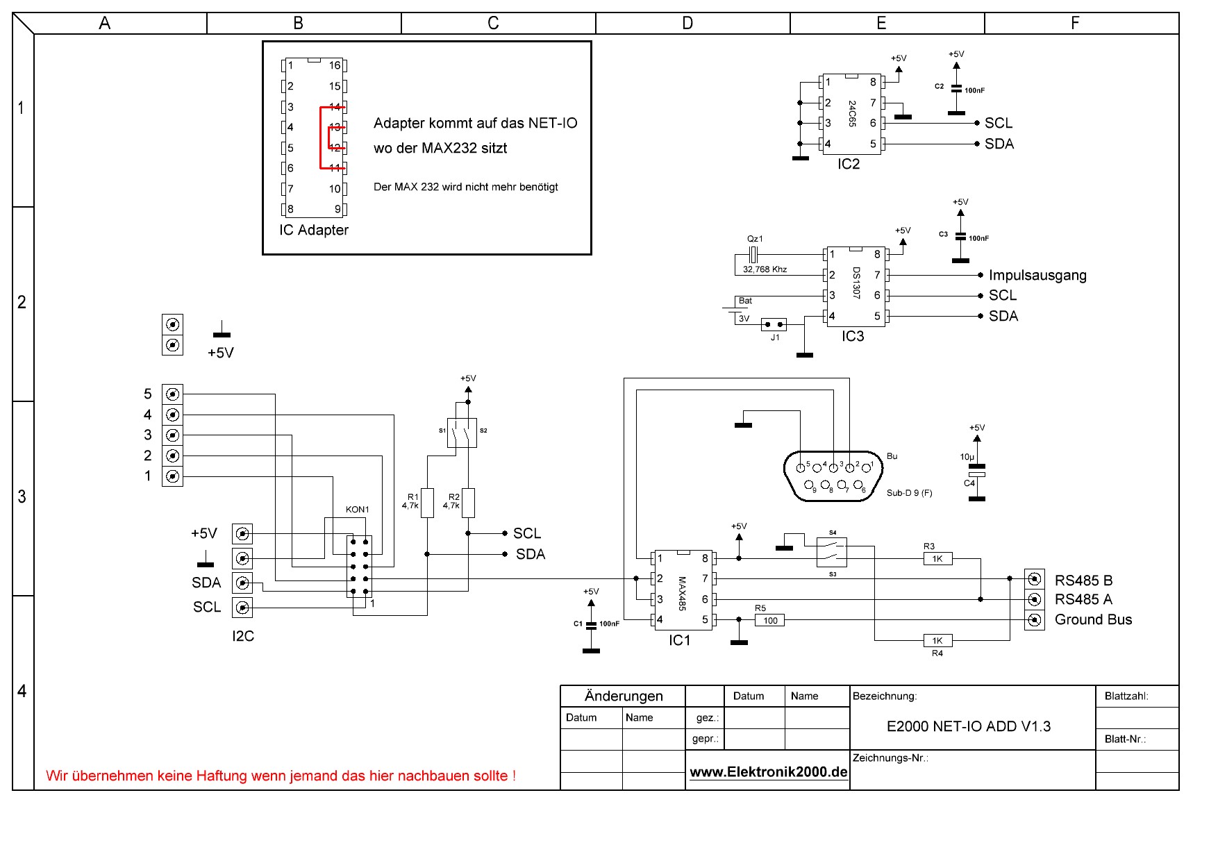
im Hauptmenu unter Downloads kannst Du Dir das ganze Hardware-Pack runterladen. Mit dem SPlan7-Viewer die Schaltpläne öffnen und unten den vom ADD-Board auswählen und z. B. Drucken. Ansonsten habe ich dir mal anbei die JPG-Datei vom Add-Board-Schaltplan. _________________________ - AVR-NET-IO mit Pollin 1.03+Eigenbau K8IO+LCD (Fernstart div. Rechner) - AVR-NET-IO mit Pollin 1.03+K8IO+Funksender (Funksteckdosen+Tests) - E2000-NET-IO mit E2000 2.2.1c+ADD1.3+I2C-LCD (Lernen/Spielen) ##### Nähere Infos auf http://www.oliver-schlenker.de.vu ##### |
|
|
|
|
|
|
04.04.2013 - 23:21:03 Uhr |
|
RiegerJuergen
ThemenstarterRegistriert seit: November 2012
Beiträge: 38 |
|
|
Hallo Samurai1967,
vielen, vielen Dank für die schnelle Antwort. Das ging ja wahnsinnig schnell. Die Schaltplan.JPG-Datei ist wunderbar leserlich. Ich habe auch versucht das Hardware-Pack herunter zu laden. Bei mir erscheint: Information Das angeforderte Dokument konnte nicht gefunden werden! Grüße Jürgen Rieger |
|
|
|
|
|
|
05.04.2013 - 00:23:57 Uhr |
|
|
chesterfield1
Registriert seit: November 2011
Beiträge: 173 |
|
|
@RiegerJuergen Hatte das gleiche Problem auch mit dem Internet Explorer hab es dann nochmal mit Google Chrome runtergeladen und dann ging es.
Lade es nochmal mit einem anderen Browser runter Gruß Chesterfield1 |
|
|
|
|
|
|
| Seiten (1): [1] |
| Suche |
| » Erweiterte Suche |
| Optionen |
Druckansicht
Thema weiterempfehlen
|