Hallo alle bin neu in dem Board
Ich möchte einen S0-Zähler am Eingang anschliesen weiss nicht wie man ihn verschaltet
Vieviele Impulse kann der ein je Minute verarbeiten
bye juergen
S0-Zähler am Eingang anschliessen | Seiten (1): [1] |
| Autor | Beitrag |
03.03.2013 - 19:40:13 Uhr |
|
juergen01
ThemenstarterRegistriert seit: März 2013
Beiträge: 7 |
|
|
S0-Zähler am Eingang anschliessen
Hallo alle bin neu in dem Board
Ich möchte einen S0-Zähler am Eingang anschliesen weiss nicht wie man ihn verschaltet Vieviele Impulse kann der ein je Minute verarbeiten bye juergen |
|
|
|
|
|
|
03.03.2013 - 20:14:34 Uhr |
|
Akim
(Administator)
![]() Registriert seit: Juli 2010
Beiträge: 743 |
|
|
Hallo juergen1
S0 Zähler haben in der Regel einen open collector Ausgang Das Problem wird sein das du das Board damit zur verzweiflung bringen wirst. Die Impulse werden je nach Stromlast sehr schnell erfolgen und das macht das NETIO schlapp. |
|
|
|
|
|
|
05.03.2013 - 12:21:07 Uhr |
|
juergen01
ThemenstarterRegistriert seit: März 2013
Beiträge: 7 |
|
|
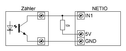
Zitat von Akim: Hallo juergen1 S0 Zähler haben in der Regel einen open collector Ausgang Das Problem wird sein das du das Board damit zur verzweiflung bringen wirst. Die Impulse werden je nach Stromlast sehr schnell erfolgen und das macht das NETIO schlapp. Hallo Akim An dem Zähler häangt eine kleine Pv Anlage 4,5 Kwp es werden max 1,5 Inpulse je/sec Weis Du wie Ich den S0 Zähler an das NETIO anschliesen muss bye juergen |
|
|
|
|
|
|
05.03.2013 - 20:09:44 Uhr |
|
Akim
(Administator)
![]() Registriert seit: Juli 2010
Beiträge: 743 |
|
|
|
|
|
|
| Seiten (1): [1] |
| Suche |
| » Erweiterte Suche |
| Optionen |
Druckansicht
Thema weiterempfehlen
|