Elektronik2000.de Forum
» Willkommen - Allgemein Bereich
» Projekte von E2000-Benutzern
Drahtvernetzte Rauchmeldeanlage
Seiten (1): [1]  
Autor Beitrag
 
theo0001
Drahtvernetzte Rauchmeldeanlage
Drahtvernetzte Rauchmeldeanlage mit billige Rauchmelder.

Lese erst diese Link:

http://www.wikidorf.de/reintechnisch/Inhalt/RauchmelderExperimente

http://cache.freescale.com/files/analog/doc/d[...]pdf?fsrch=1&sr=1

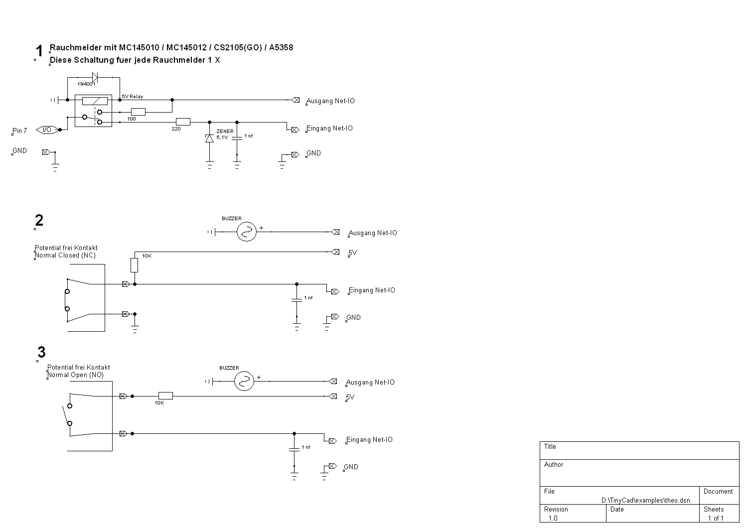
Fast alle billige rauchmelder haben einer dieser IC's; MC145010 / MC145012 / CS2105(GO) / A5358.
Die Nachrüstung eines Vernetzungsanschlusses ist einfach; Pin 7 und Masse.
Ausgangssignal: Pulssignal 9 Volt, 1 Sekunde ein/ 1 Sekunde aus.

Als basis fuer eine Rauchmeldeanlage nehmen Sie Schaltung 1 und Rauchmelde Anlage 1

Habe sie Rauchmelder mit potentialfreie kontakten; Normal Open (NO) oder Normal Closed (NC), dan nehmen Sie Schaltung 2 oder 3 und Rauchmelde Anlage 2

Viel erfolg.

Theo(0001)
Anhänge
Schaltung.png (16,7 KB)
theo0001 ist offline  
 
Heidos (Betatester)
sehr interessante sache mit der Vernetzung
Heidos ist offline  
 
bastler91

Happy new year
Rauchmeldeanlage
Hi, finde dein Projekt sehr interessant, hatte auch schon an so was gedacht.
Hast du schon ein Rauchmelder mit einem, oder wie ich es brauche, mit 2 BUS Modulen ausgestattet.
Kann leider deine Dateien bzw. alle Dateien im Forum nicht öffnen, entsprechen angeblich nicht dem E2000 e2k Dateiformat?????
bastler91 ist offline  
 
Samurai1967

Samurai1967
Hallo Bastler91,

habe mit den Dateien keine Probleme.

Die 2.2.1-Version von E2000 meldet lediglich, dass die Dateien in 2.1.6 erzeugt wurden und nun konvertiert werden.

Da stimmt irgendwas mit Deinem Rechner/der Software bei Dir nicht!
_________________________
- AVR-NET-IO mit Pollin 1.03+Eigenbau K8IO+LCD (Fernstart div. Rechner)
- AVR-NET-IO mit Pollin 1.03+K8IO+Funksender (Funksteckdosen+Tests)
- E2000-NET-IO mit E2000 2.2.1c+ADD1.3+I2C-LCD (Lernen/Spielen)
##### Nähere Infos auf http://www.oliver-schlenker.de.vu #####
Samurai1967 ist offline  
Seiten (1): [1]  
 
Suche
» Erweiterte Suche
Optionen
Druckansicht Druckansicht
Thema weiterempfehlen Thema weiterempfehlen