Hallo Forum,
mit der Suche habe ich nix gefunden.
Der KTY81-110 kann ja in der E2000 Logik nur bis 50 Grad verwendet werden.
Gibt es eine möglichkeit bis 100 Grad zumessen?
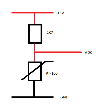
Oder ist ein PT-100 als AnalogIn besser, hat da schon wer Erfahrungen gesammelt?
Gruß Carsten
Temperatur über 50 Grad messsen?
01.01.2013 - 08:40:09 Uhr
Themenstarter


Wenn ich in der E2000 Logik KTY auswähle ist bei 50°C Schluss, bei Pollin Io ging auch mehr.