Elektronik2000.de Forum
» E2000 - PLUS - Hardware
» Hardware allgemein
Komponenten zum flashen der Atmegas und Attinys
Thema: Komponenten zum flashen der Atmegas und Attinys
 
Autor Beitrag
 
Zeh4711
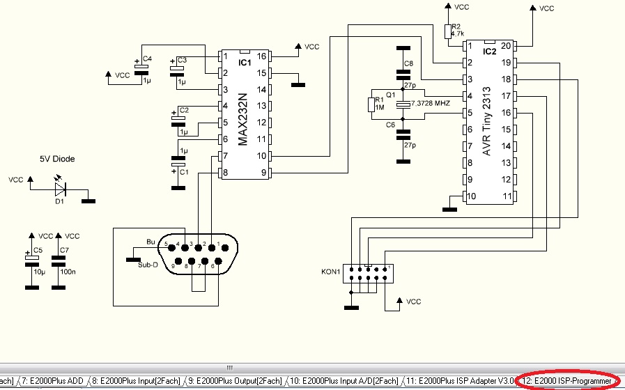
Laut den Schaltplänen aus diesem Forum hat der E2000 Isp Programmer an Anschlüssen einen 9-Pol Sub-D und eine ISP Schnittstelle. Mit der ISP Schnittstelle gehe ich wahrscheinlich ans Pollin Evaluationsboard. Mit dem Sub-D an den PC? Dann bräuchte ich also noch einen USB auf Seriell Adapter?

Edit: Netti, ich sehe gerade, dass ich den Tip des smartUSBlight von dir gelesen habe :) = Normaler Smile
Anhänge
Zeh4711 ist offline