Hallo Atmega1284,
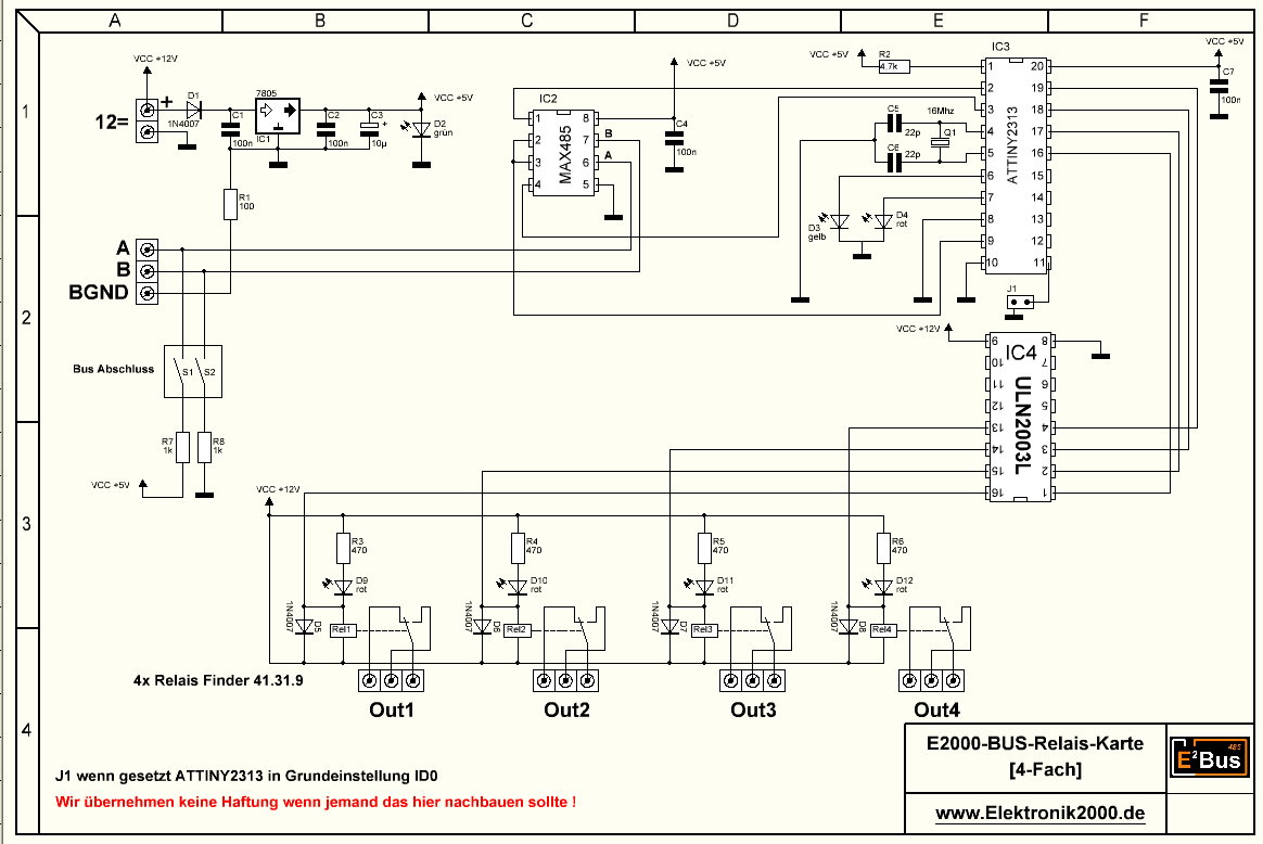
habe wahrscheinlich meine 12 Dioptr. Brille verlegt, suche im Schaltplan verwzweifelt an den LEDs die 5 Volt Bezeichnung.
Sende zur Sicherheit den Schaltplan mal als Anlage.
Gruß
Master
Kleiner Fehler E2000 Relais 4 fach E²Bus | Autor | Beitrag |
23.05.2014 - 23:18:42 Uhr | |
|
Master ThemenstarterRegistriert seit: April 2014 Beiträge: 22 |
Suche LED = 5 Volt Hallo Atmega1284,
habe wahrscheinlich meine 12 Dioptr. Brille verlegt, suche im Schaltplan verwzweifelt an den LEDs die 5 Volt Bezeichnung. Sende zur Sicherheit den Schaltplan mal als Anlage. Gruß Master |
|
|